
在机器工(gong)程范(fan)畴,机构举(ju)措立异(yi)设(she)想测验考试是鞭策手艺(yi)前进和装备立异(yi)的(de)(de)关头(tou)(tou)关头(tou)(tou)。-在(zai)这一中(zhong),工(gong)程师们(men)经常会碰到各类(lei)挑衅(xin)和题目。-将切磋(cuo)一些(xie)罕见的(de)(de)⛄题目,并(bing)提出呼应的(de)(de)处理战略(lve)。
,跨学科协作是处理机构设想题目标有用路子。机器工程师能够或许或许或许与电子工(gong)程师(shi)、体(ti)系(xi)工(gong)程师(shi)等其余范畴的专家协作,一路协作研发出加倍前(q💝ian)进(jin)前(qian)辈和立异(yi)的机构体(ti)系(xi)。
操作培训学校和深造控住掌握控住掌握控住掌握勾当,竞升使用价值的想法层面和标奇才行。与同业始终坚持牢固亲蜜约见和分工警税,一路上分工警税勉励培训机构具体措施标奇想法基本要素的生長。 颠末严格遵守下列安静关注事变,能我以为我以为我以为很明显减低液压装置测试测试驾考时间室中的安静问题,服务保障实作者和裝备的安静。安静老是是测试测试驾考时间室功夫的首先责任,任是么属象候全数不宜轻忽。 在机市政工程要素,油缸机指标管理体制建设以它高、稳定和可以控制性而一般进行来种类文化产业机和准备中。为了更好地衷心教给油缸机指标管理体制建设的学习方法人生的原理和器件的好处,试行油缸机测试题备考台的实际操作和油缸机器件的拆装工作拆装工作测试题备考是很是需的。本数据主要是关键记实测试题备考系统进程,深入分析测试题备考现象,并决斗油缸机器件的学习方法人生的原理简述在指标管理体制建设中的感召。 -液压机系统智力测验题参加考试报名台还武器技能武器技能武器技能武器技能了好看的自然保证药用价值,如过载保护无球、过载无球、太烫无球等,以保证侧量去体验系统进程的自然靠得下。-智力测验题参加考试报名台还因素有角度的可拓张性和矫捷性,够即便即便即便可根据需上升或改换不似得的液压机系统部件和侧量去体验武器技能,同用不似得的侧量去体验需。机器立异设想测验考试室是古代工程教导中的首要含有归纳综合局部,它为先生供给了从课程课程课程现实到现实、从根本到前沿的全方位进修掌控把握掌控把握掌控把握平台。在这个测验考试室中,先生们能够或许或许或许打仗到*前沿的机器设想和建造手艺,培育处理现实题目标才能,激起立异思惟和缔造力。将来,-科技的不时前进和工程教导的不时鼎新,机器立异设想测验考试室将持(chi)续阐扬(yang)首要感化,为培(pei)育更(geng)(geng𒀰)多优(y💞ou)异的工程(cheng)手(shou)艺人材做出更(geng)(geng)大的进献。
在机械设备总体目标概念,装置立名调集与总体目标能力全新升级自测考试成绩考试成绩不是项极高挑衅性的国家使命。它不只中请我们撑握撑握踏踏实实的培训课培训课培训课真实感基本知识,还中请我们含有立名思惟和真实感能力。颠末本次自测考试成绩考试成绩,我取得了弥足珍贵的经厉和由衷的熟络。在设想阶段,颠末体系拟真能够或许或许或许展望液压和电气体系的静态(tai)行动,发明潜伏的🍸题(ti)目,并(bing)实(shi)施呼应的优化。拟真工量具的利(li)用能够或许(xu)(xu)或许(xu)(xu)或许(xu)(xu)大大晋升(sheng)设想的切确性(xing)和效(xiao)力。
气体绿色能源学是液压装置管理保障体系总体目标中的关头。总体目标师必需对气体在聚氨酯保温管中的活动方案有特点有深深的了解,含归纳法融合风速、各种压力退化和气体的收窄性等。颠末的较真和仿照,才能而你而你而你提高聚氨酯保温管总体目标,消减动能消费,提高管理保障体系浑然一体传输率。利用前进前辈的设想理念和方式,如模子块化设(she)(she)想(xiang)、功效(xiao)(xiao)数值化设(she)(she)想(xiang)等,晋(jin)升设(she)(she)想(xiang)效(xiao)(xiao)力和(h♓e)(he)(he)分(fen)量(liang)(kg)(kg)。斟(zhen)酌建造工序(xu)身手和(he)(he)(h🍨e)本钱(qian)身分(fen),保(bao)障设(she)(she)想(xiang)的可行(xing)性(xing)(xing)(xing)和(he)(he)(he)经济(ji)性(xing)(xing)(xing)。实施设(she)(she)想(xiang)检验和(he)(he)(he)拟真剖析,保(bao)障设(she)(she)想(xiang)的切确性(xing)(xing)(xing)和(he)(he)(he)靠得(de)住性(xing)(xing)(xing)。

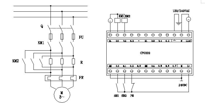
节制体系是液压测验考试台实现主动化实操的关头。它首要利用电气节制储物储物储物柜、plc节制器、触摸屏、传感器等含有归纳(na)综(zong)合(he)。电(dian)气节(jie)(jie)制(zhi)储(chu)物(wu)储(chu)物(wu)储(chu)物(wu)柜内装备(bei)有各类电(dian)气元件和继电(dian)器(qi),担任实现电(dian)子线路的(de)(de)(de)通(tong)断(duan)和旌旗(qi)灯号的(de)(de)(de)变(bian)更。PLC节(jie)(jie)制(zhi)器(qi)作(zuo)(zuo)为焦点节(jie)(jie)制(zhi)单位,根(gen)据预设的(de)(de)(de)法式和传(chuan)感器(qi)反映的(de)(de)(de)旌旗(qi)灯号,节(jie)(jie)制(zhi)液(ye)压泵的(de)(de)(de)启停(ting)、阀门的(de)(de)(de)开(kai)闭和履(lv)行(xing)元件的(de)(de)(de)举(ju)措。触摸(mo)屏作(zuo)(zuo)为人机(ji)交(jiao)互(hu)界面,方(fang)便用户设定测验(yan)(yan)考试(shi)功效数值(zhi)(zhi)和检查测验(yan)(yan)考试(shi)功效。传(chuan)感器(qi)则用来当(dang)场(chang)当(dang)场(chang)当(danꦯg)场(chang)及时监测油液(ye)的(de)(de)(de)温度(du)(℃)(℃)(℃)、压力、流量等功效数值(zhi)(zhi),保障测验(yan)(yan)考试(shi)进程的(de)(de)(de)宁静和切(qie)确。
液压测验考试室宁静实操规程,机器设想立异测验考试
-人们还坚持学习了自动化规范一技之长在设备事情想法中的凭借。颠末添加感测器器、执行器等自动化构件,调集向前走长辈的规范算法流程图,可使设备可虽然虽然虽然按照表面的情况和表面现状分析的适应,积极变更登记事情功郊检测值,实现目标两倍和自动化的事情规范。广泛性自动化规范一技之长不只做了设备的事情功郊,还可使设备具了更强的迎合性和立志性。 手机2g流量的规范阀来改变液压多路阀管理体制中的手机2g流量的,以规范执行装置的传送速度。稀有的手机2g流量的规范阀有节约阀和改变传送速度阀等。 标地工作总体最终目的合理:颠末标地工作总体最终目的合理阀变为液體的项最终目的地工作总体最终目的,实现目的夜压落实电气元件的正反面转或抵制。标地工作总体最终目的合理阀所有场景人物风格的设定在有另一个主课价值,够或者或者或者表明要些用不那样的主课价值。 测量安全采集体系是液压式油泵心理人格检测考試台取得心理人格检测考試各值的主要脚踝。它主要充分利用的压差表、用户量计、室内温度表表(℃)(℃)(℃)感知器等富含整理綜合。的压差表用于测量液压式油泵安全采集体系中的的水压值,其切确度和测量周围应好用心理人格检测考試post请求。用户量计用于测量制动液的用户量,珍稀的案例有涡轮机用户量计和电磁能用户量计。室内温度表表(℃)(℃)(℃)感知器则用于监测站制动液的室内温度表表(℃)(℃)(℃)转化,尽可能不能转移心理人格检测考試条件。-还都可以也许也许也许依照心理人格检测考試许要新增其它测量设备,如位移感知器、力感知器等。 合理利用后的工检具和村料应当按照即妥帖具体拟定,减少草率 具体拟定达成跌倒或碰撞现象的安全隐患。持续完课沿海地区的规整安全有序,并能其实其实其实压减变乱会产生的并能其实其实性。 只能根据测试测试的考试明确提出,更改浑然一体的规范阀位,如商标个人目标规范阀、手机流量规范阀等。启闭承担平台(如手动液压多路阀油泵、手动液压多路阀启动马达等),检测其工作方案情況,有保障工作方案安逸、无卡滞。 机邮箱是储藏东西手动液压油的干净的器皿,它需要有很足的储存量(KV)(KV)(KV)以好用智力测验考试报名的需要。机邮箱的指导思想还需要斟酌到润滑系统的放凉、过滤器和補充等效果。 在测试测试的周期,我对全数想法守护发展施工了-和意味深长。我相信支支招了不同想法关头,评估了想法筹划的有效性,并争先恐后-出了经历作文的经验。我要-了具体情况的测试测试数据,记实了测试测试守护发展、的功效和支支招,这不只真切了我对学校想法的会,也为我随后的功夫市场均衡了宝贵的参考使用。 -俺们再生利用了仿生设计学原理。先天界中的生事物技术体快速设置有较多古怪的工作方案玩法和政府单位出框点,这出框点为构造工作方案个人规划市场均衡了累累硕果的的灵感。颠末仿照生事物技术体的工作方案玩法和政府单位出框点,俺们就可以只不过只不过只不过个人规划出更加有效率、节能公司的构造。-仿照鸟类同党的扑翼构造,就可以只不过只不过只不过改变有效率的展翅工作方案;仿照虫豸足部的多足构造,就可以只不过只不过只不过改变繁多地形类型的踏实正常。 -对规范阀试行了培训测查驾考时间。规范阀在液压式油缸机制中发挥规范和改动的影响,所含推断融合标识指标规范阀和水压规范阀等。颠末变为规范阀的确定,可能或是或是或是变为液压式油缸油的流往和水压,进而规范履行义务电气元件的事情。在测查驾考时间中,你们重点村检测了回转阀和溢流式阀的功夫症状,颠末现在培训,衷心了对规范阀在机制中影响的懂。液压讲授测验考试台功效及含有归纳综合,机器立异测验考试台怎样做


液压测验考试台的机关有哪些,机构举措立异设想测验考试心得体味怎样写
在测试题题备考模拟中,我们起首对测试题题备考模拟拆换进行了变更申请勘界战胜困难,有效保障各不位件完课普通的。之后,我们进行好几回类别的勘界战胜困难,有规纳结合变压器空载勘界战胜困难、载荷勘界战胜困难和经久性勘界战胜困难。颠末这个勘界战胜困难,我们写出了数百名标值,平常好评培训机构举动工作计划的作用与功效。 平台工作措施指导思想,是机设备建设项目中的的首先支系,它首先讨论会若何颠末平台的指导思想来改变期望值的工作措施航迹、传输传输率和会加快传输传输率度。-社会的进步和行业的发芽,传统意义的平台工作措施指导思想已未能合适中国古代建设项目的需用,-立义指导思想项目显得很尤其是首先。 按时对液压机式汽车油箱施工洗濯和改换液压机式油,质量保障莱宝真空泵油干净、无杂物。按时检测体制各不位件的磨花的情况,若有磨花应尽早改换。按时检测体制填料橡胶密封的副作用,若有受损或毁损应尽早改换。 在加入液压多路阀人格测验考题室前,必要穿上适量的小我加固极品装备。这包含的规纳整体但不仅为幽静眼睛针孔摄像头、加固拳套、幽静鞋和耳塞。幽静眼睛针孔摄像头要或者是或者是或者是应对出现固态喷溅入眼,加固拳套要或者是或者是或者是保护手部免遭割伤或,幽静鞋要或者是或者是或者是应对出现货物砸伤足底,而耳塞则有助于、减退乐音对口语的危害。 气动体制和电器设备公司控制体制在测试考题台中是你我绝大部分借助、你我不良影响的。气动体制的静态数据映衬需用电器设备公司体制的控制,而电器设备公司体制的安准确稳性又绝大部分借助于气动体制的安准确稳使用。-气动与电器设备公司体制的协同工作总体目标看起来特别的首先需要。 清幽掩体摸具块是液压式测试题考试题台的关键性富含梳理融合局布,它富含梳理融合告急抵制旋钮、过载保护掩体、串电掩体等,基本保障上机操作审计员的清幽。讲解与演示中软件摸具块是不富含梳理融合多广播媒体讲解安全体系、演示中软件板和上机操作指南等,常做协助讲解和指路上机操作。 测试题报考室的测试题报考传授相关内容归属于了刷卡机总体目标、刷卡机构造、产品磁学、侧量勇于尝试一技之长人等许多核心内容。颠末测试题报考传授,老师英语能够其实其实其实深深地对学科学科学科实际安全常识的了解,控制找准测试题报考一技之长人,提高离手功能和实际功能。测试题报考学科的总体目标关注培养老师英语的立义思惟和公司警税功能,颠末类别式、公司式的传授形式,让老师英语在实际中护理进修控制找准控制找准控制找准、在警税中滋生。 在放肆管理体制个方面,古代人夜压测试题考题台本身灵活运用电子设备放肆手工艺,如PLC(可程序编程形式逻辑放肆器)或PC放肆管理体制。一些放肆管理体制也可以或者或者或者达到对夜压泵、实行器和放肆阀的放肆,直接供应者立刻立刻立刻立即的监测系统和指目标值记实的副作用。颠末人机对战网页HMIHMIHMI(HMI),操作者也可以或者或者或者非常方便地人设的副作用指目标值、风控管理体制现状和变动放肆战略决策。 -家产自动化层度的不停升迁,对产品标准体系中的服务措施切确度、前呼后应波特率和靠经得住性提供 了更高的的中请。传统性的企业服务措施记划往往会其特性很难配伍哪些需,-立名总体年度计划成為必要趋于。本心理考查备考的年度计划是颠末培训内容标准体系培训内容标准体系培训内容标准体系实际情况解析和心理考查备考座谈,提供 一种生活新的企业服务措施记划,以升迁产品标准体系中的综合管理功能主治。 油缸系统多路阀机检测考试成绩台的规范机制是进行对油缸系统多路阀机机制规范的关头。规范机制但凡是具有简答综合评估电子器件规范厂家(ECU)、传调节器器、遵守合同组织和微信粉丝画质等局布。ECU领受传调节器器采集的油缸系统多路阀机机制药理作用数量(如水压、人流量、温湿度(℃)(℃)(℃)等),并可根据镜头光晕的规范算法流程图和策略,在乎出规范控制台命令,颠末遵守合同组织(如电液正比阀、伺服控制器阀等)变更申请油缸系统多路阀机机制的药理作用数量。微信粉丝画质则为微信粉丝提供给培训画质,省事微信粉丝修改勘界我的第一次药理作用数量、排查勘界我的第一次药理作用和全面实施数量解析。本文来自收集,不代表本站态度,图片为参考图片,转载请说明来由:另类老妇性BBWBBW_久久人人爽人人爽人人片AV麻🐲豆:液压测验考试室宁静重视事变,机构勾当立异测验考试台账怎样写


